Άνω Διαβάσεις ανοιγμάτων Lw= 29,70m, 32,80m & 28,10m
Πρόκειται για τρεις άνω Διαβάσεις κλάδων των Ανισόπεδων κόμβων της αναβαθμιζόμενης σε αυτοκινητόδρομο αρτηρίας Σταυροχώρι- Δροσάτο Νομού Κιλκίς.
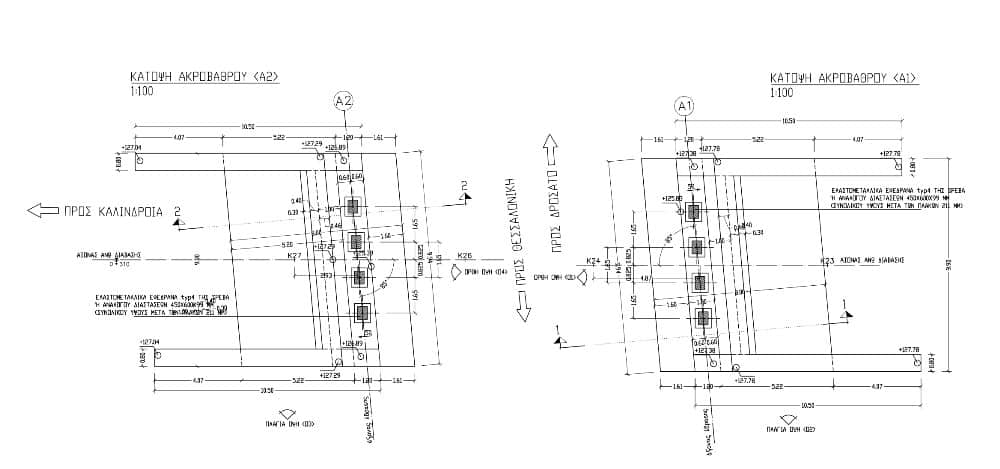
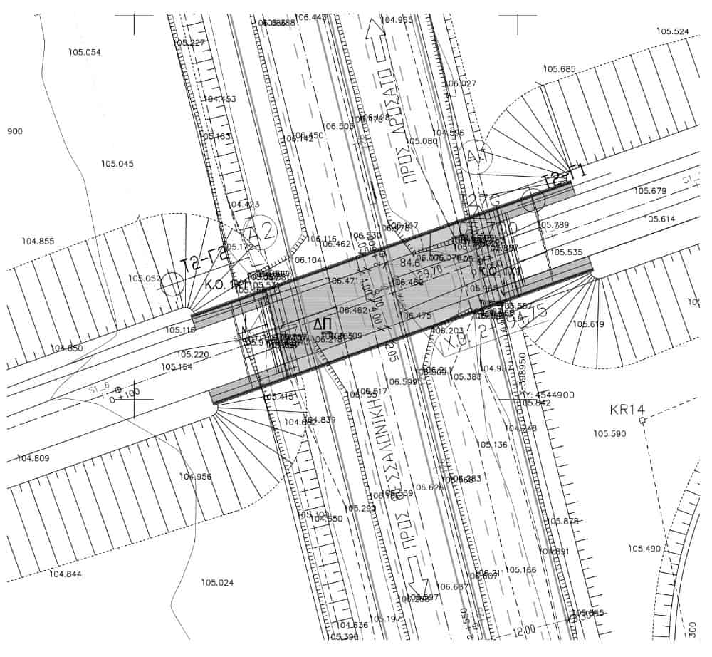
<Τ2>: Τεχνικό έργο ΑΝΩ ΔΙΑΒΑΣΗΣ στην περιοχή του Ανισόπεδου κόμβου προς ΒΙ.ΠΕ. Κιλκίς, στη Χ.Θ. 2+594,75 της αναβαθμιζόμενης αρτηρίας όπου ο άξονάς της διασταυρώνεται με την κάθετη οδό προς ΒΙ.ΠΕ. υπό γωνία 84,6°. Η γεφύρωση του ανοίγματος επιτυγχάνεται με αμφιέρειστη πλάκα από προεντεταμένο σκυρόδεμα C30/37, με λοξό θεωρητικό άνοιγμα (απόσταση αξόνων έδρασης επί των ακροβάθρων) 29,70 μ.
<Τ9>: Τεχνικό έργο ΑΝΩ ΔΙΑΒΑΣΗΣ στην περιοχή του Ανισόπεδου κόμβου Καλίνδροιας, στη Χ.Θ. 9+201,79 της αναβαθμιζόμενης αρτηρίας όπου ο άξονάς της διασταυρώνεται με την κάθετη οδό προς Καλίνδροια υπό γωνία 85°. Η γεφύρωση του ανοίγματος επιτυγχάνεται με γραμμικό μόρφωμα αμφιέρειστης πλάκας από προεντεταμένο σκυρόδεμα C30/37, με λοξό θεωρητικό άνοιγμα 32,80 μ.
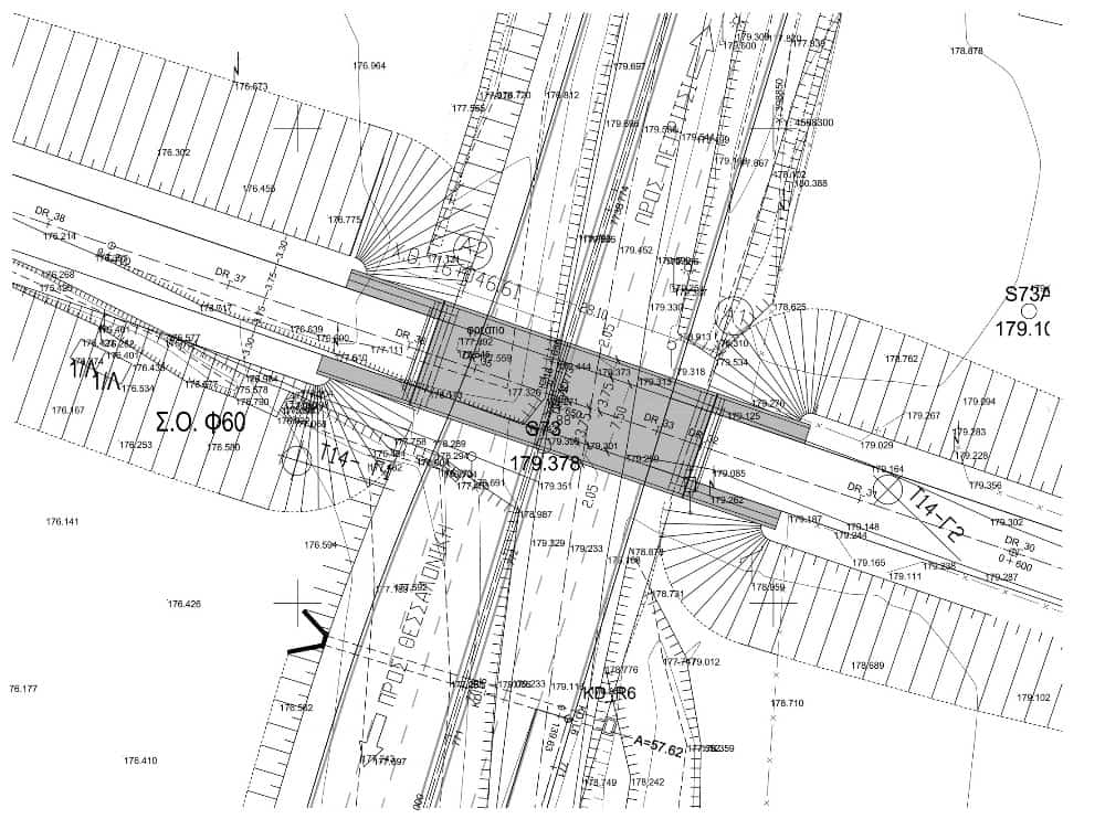
<Τ14>: Τεχνικό έργο ΑΝΩ ΔΙΑΒΑΣΗΣ στην περιοχή του Ανισόπεδου κόμβου Δροσάτου, στη Χ.Θ. 16+046,61 της αναβαθμιζόμενης αρτηρίας όπου ο άξονάς της διασταυρώνεται με την κάθετη οδό προς Δοϊράνη υπό γωνία 88°. Η γεφύρωση του ανοίγματος επιτυγχάνεται με αμφιέρειστη πλάκα από προεντεταμένο σκυρόδεμα C30/37, με λοξό θεωρητικό άνοιγμα (απόσταση αξόνων έδρασης επί των ακροβάθρων) 28,10 μ.
| Φορέας | Διεύθυνση Δημόσιων Έργων Περιφέρειας Κεντρικής Μακεδονίας |
|---|---|
| Τοποθεσία έργου | Σταυροχώρι Κιλκίς |
| Έτος: | 2013 |